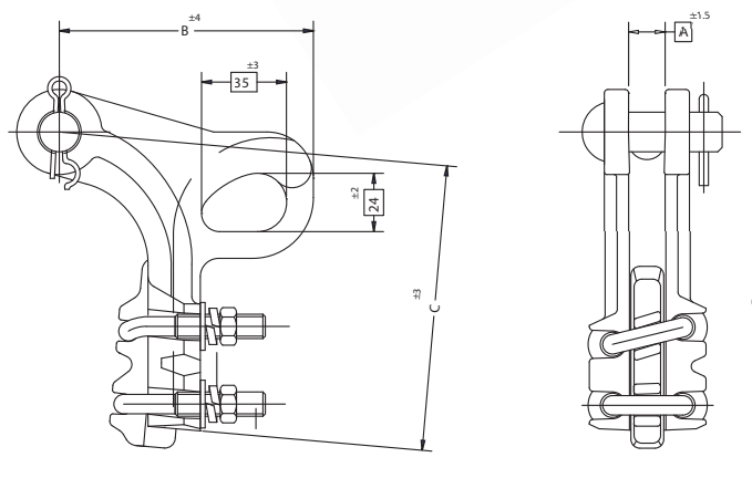
Uso y aplicación

Grapa de anclaje pasante para uso con cables:AAC, ACSR

Material Aleacion de alumínio | Tornillos, tuercas e arandelas en acero galvanizado en caliente.

Tabla descriptiva